Выбрано 0 товаров
На сумму 0 р. 00 к.
Открыть / Очистить

AM3T-4807SZ

Версия для печати DC/DC преобразователь мощностью 3Вт, вход 36-42В, выход 7,2В 416мА. Rизол. 1.5кВ

Наименование
Кол-во
Цена
 
AM3T-4807SZ 3 1 435.20 руб. 

Технические характеристики AM3T-4807SZ

Параметр
Значение
Каналов,шт 1
POUT,Вт 3
VIN,В от 36 до 72
VISO,В 1500
КПД,% 80
Выход: UВЫХ1,В 7.2
Выход: IВЫХ1,мА 417
TA,°C от -40 до 85
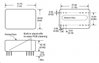
Размеры: Д,мм 10
Размеры: Ш,мм 32
Размеры: В,мм 20
Корпус PCB DIP24
* Представленная техническая информация носит справочный характер и не предназначена для использования в конструкторской документации.
AM3T-4807SZ
DC-DC модули

DC/DC преобразователь мощностью 3 Вт, корпус: для монтажа на печатную плату DIP24

Производитель:
Aimtec

AM3T-Z.pdf.pdf
487.5 Кб